Model 1300 Ring
3 posts
• Page 1 of 1
|
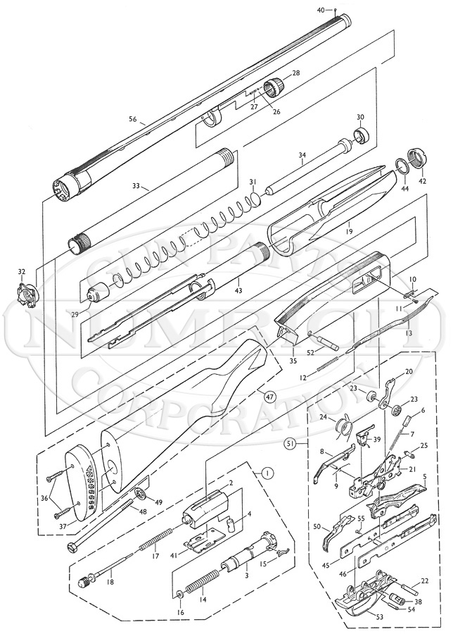
I have a 1300 that is experiencing some friction when I pump to load a shell. When I remove the mag cap and then unscrew a metal piece that has a plastic white ring in it the forearm slides just fine. I'm having trouble determining what the name of this malfunctioning piece is and more importantly where I can go to purchase a replacement part. I would prefer not to take this in and be charged for it as it seems like a fix that I can make as long as I can purchase the replacement piece somewhere however I don't know what to call these two pieces and have had no luck with searches for "1300 forearm ring" etc. Thank you.
|
|
|
If you want a price list and ordering info, you can go to: https://www.gunpartscorp.com/Manufactur ... -33573.htm
|
|
|
Thank you. Your time and help are much appreciated by this gnoob.
|
|
3 posts
• Page 1 of 1
Return to Firearm Maintenance, Modification, Safety And Troubleshooting
Who is online
Users browsing this forum: No registered users and 13 guests
Winchester Owners Forum is privately owned and operated. It is not affiliated or operated by Winchester company.
Views and opinions expressed here are not necessarily that of Winchester.
